中国·太阳集团城(古天乐)股份有限公司|官方网站
首页
关于古天乐太阳集团城
公司介绍
愿景展望
企业文化
关联企业
公司视频
古天乐太阳集团城产品
海藻酸及其盐类
海藻酸丙二醇酯
海洋健康食品
海藻肥
古天乐太阳集团城动态
公司新闻
信息公示
审核认证
公司荣誉
公司历史
古天乐太阳集团城责任
质量控制
安全生产
绿色环保
社会责任
人力资源
工作在古天乐太阳集团城
成长在古天乐太阳集团城
招聘信息
联系我们
Language
中文
English
한국어
日本語
信息公示
SHANDONG JIEJING
公司新闻
信息公示
审核认证
公司荣誉
公司历史
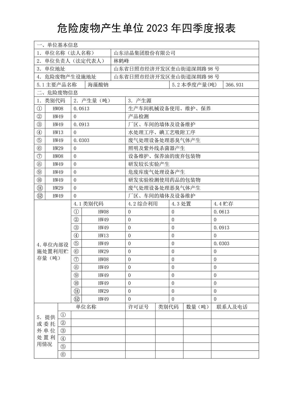
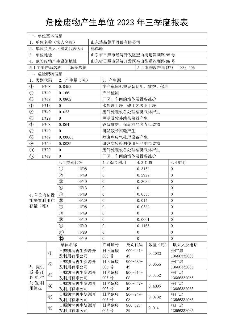
2023年危险废物产生及处置一览表
返回上一页